Giới thiệu về sản phẩm: Loa âm trần TOA PC-3CL
Loa âm trần TOA PC-3CL là loa gắn trần, công suất hoạt động 3W, chuyên dùng cho các khu vực có độ ẩm, nhiệt độ cao bởi vì sản phẩm có thiết kế đặc biệt để chống bụi, chống nước và chống ăn mòn.
Loa âm trần TOA PC-3CL được nhập khẩu và bán ra thị trường Việt Nam với chất lượng sản phẩm tốt nhất đảm bảo 100% chính hãng, Gia Bảo Audio có uy tín lâu năm trên thị trường âm thanh luôn được nhiều khách hàng tin dùng và chọn lựa.

Loa âm trần TOA PC-3CL
Đặc điểm nổi bật: Loa âm trần TOA PC-3CL
Thiết kế đặc biệt mang đến tuổi thọ cao
Loa âm trần TOA PC-3CL được sản xuất theo dây chuyền mới có thiết kế kín hoàn toàn và đạt đủ tiêu chuẩn IP64 có chức năng chống bụi, chống nước nên khi sử dụng có thể hoàn toàn yên tâm khi loa tiếp xúc với môi trường ẩm. Nhờ đặc điểm này mà sản phẩm được sử dụng rộng rãi ở bệnh viện và các phòng xông hơi …mà không sợ thiết bị hỏng hóc khi sử dụng.
Mặt loa được tạo thành từ hợp kim bọc nhựa ABS có sức chống chịu tốt, độ bền cao, chống cháy,nâng cao độ bền cơ học của sản phẩm, mặt lưới được làm từ thép cao cấp chống gỉ, chống lại các tác nhân đến từ bên ngoài môi trường nơi lắp đặt và sử dụng loa. Ngoài ra, sản phẩm còn được thiết kế với khả năng chống hóa chất, cản lại sự ăn mòn của formalin và iodine, làm tăng tuổi thọ cho loa trong quá trình vận hành.
Chất lượng âm thanh cao và góc phủ âm rộng
Loa âm trần TOA PC-3CL có công suất khá nhỏ 3W phù hợp để dùng cho mực đích làm âm thanh thông báo, phát nhạc nền trong các khu vực vừa và nhỏ. Loa có cường độ âm thanh (1W,1m) 87dB và dải tần số rộng 150Hz ~20kHz giúp loa tạo ra âm thanh thanh rõ ràng, chân thực và êm dịu không chói tai ở nhiều dải tần khác nhau. Ngoài ra, cũng như các sản phẩm loa âm trần khác của TOA trên thị trường, góc phủ âm của TOA PC-3CL rộng, đảm bảo âm thanh truyền đi xa tới mọi vị trí trong không gian lắp đặt.
Kích thước nhỏ gọn, dễ dàng di chuyển lắp đặt
Loa âm trần TOA PC-3CL đươc nhà sản xuất thiết kế với kích thước nhỏ gọn có đường kính tổng thể 14cm, chiều sâu 10cm và trọng lượng 550g giúp bạn có thể dễ dàng lắp đặt loa âm trần TOA PC-3CL mà không lo bị rơi hay gặp khó khăn gì trong quá trình lắp đặt sản phẩm lên tường.

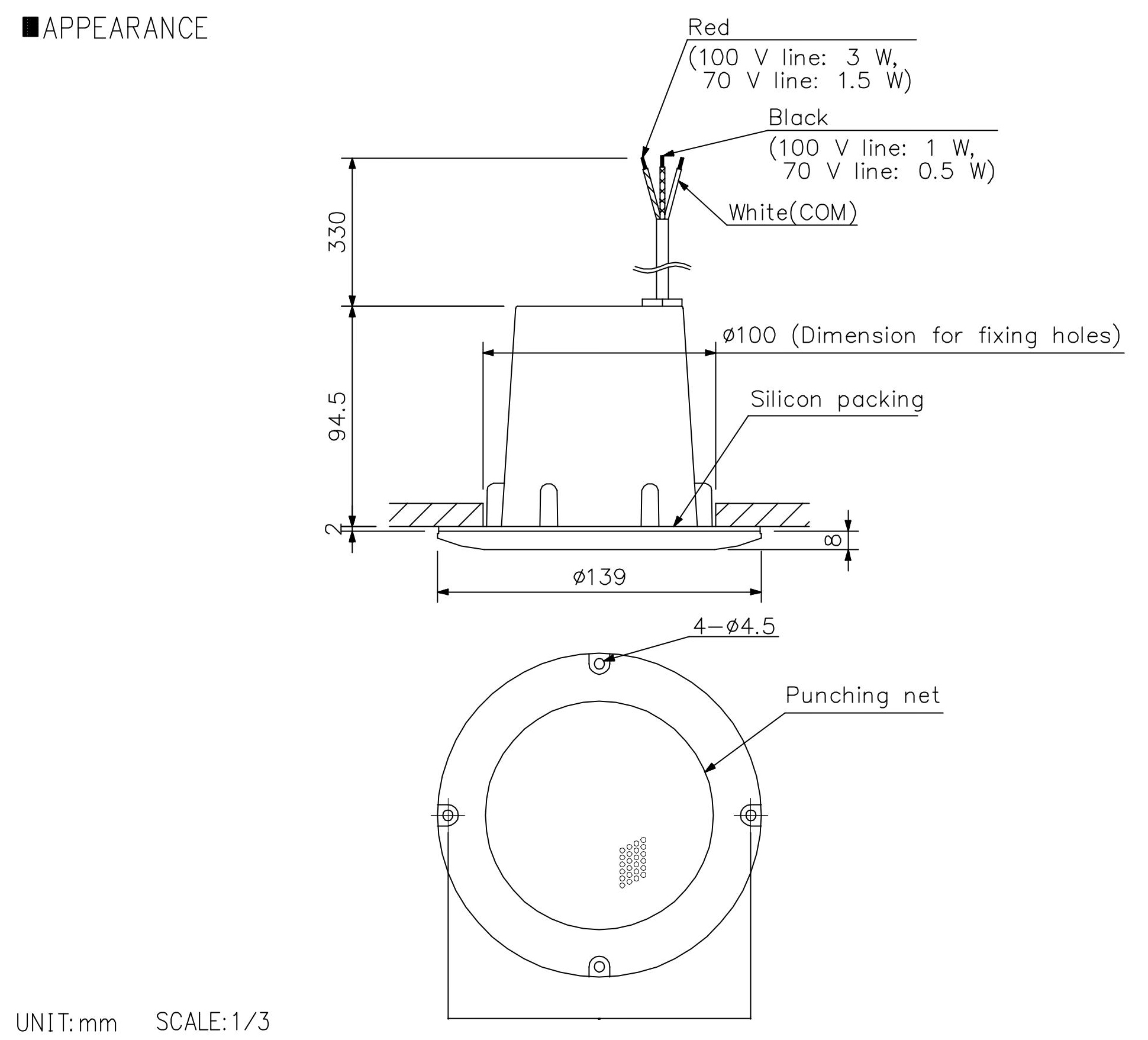
Sơ đồ thiết kế kích thước loa âm trần TOA PC-3CL
Sản phẩm được phân phối độc quyền tại Gia Bảo Audio với giá rẻ nhất thị trường. Bạn hãy liên hệ ngay với chúng tôi để được tư vấn, lắp đặt và trải nghiệm sản phẩm trực tiếp ngay tại showroom.
Xem thêm: loa treo tường toa giá rẻ
Thông số kỹ thuật: Loa âm trần TOA PC-3CL
– Công suất: 3W
– Trở kháng:
+ 100 V line: 3.3 kΩ (3 W), 10 kΩ (1 W)
+ 70 V line: 3.3 kΩ (1.5 W), 10 kΩ (0.5 W)
– Cường độ âm: 87 dB (1 W, 1 m)
– Đáp tuyến tần số: 150 Hz – 20 kHz
– Thành phần loa: Loa hình nón, đường kính 8 cm
– Chống ăn mòn hóa học: Chống ăn mòi formali và iodine
– Tiêu chuẩn chống bụi/nước: IP64
– Vật liệu:
+ Vành loa: hợp kim bọc nhựa ABS
+ Lưới: thép không gỉ
– Kích thước: φ139 × 104.5(S) mm
– Khối lượng: 550g





