Giới thiệu về sản phẩm: Loa nén hàng hải Bosch LH2-UC15E
Loa nén hàng hải Bosch LH2-UC15E được thiết kế đặc biệt để tái tạo âm thanh tuyệt vời trong ứng dụng biển và các môi trường công nghiệp khác. Sản phẩm phù hợp dùng cho hệ thống âm thanh thông báo.
Loa nén Bosch được nhập khẩu và bán ra thị trường Việt Nam với chất lượng sản phẩm tốt nhất đảm bảo 100% chính hãng, Gia Bảo Audio có uy tín lâu năm trên thị trường âm thanh luôn được nhiều khách hàng tin dùng và chọn lựa.
Loa nén hàng hải LH2-UC15E
Đặc điểm nổi bật: Loa nén hàng hải Bosch LH2-UC15E
Chống ăn mòm của nước biển
Loa nén hàng hải Bosch LH2-UC15E có vỏ ngoài chắc chắn được làm từ Glass Reinforced Polyester có khả năng chống nước/bụi và chống lại các tác động ăn mòn của nước biển và hầu hết các khí ăn mòn trong khu công nghiệp. Ngoài ra LH2-UC15E còn có khả năng chống tia UV(cực tím) cực tốt giúp vỏ ngoài không bị giòn và phai màu.
Xem thêm: amply thông báo giá rẻ
Định hướng chính xác chùm âm thanh
Loa nén hàng hải Bosch LH2-UC15E được cung cấp với khung gắn tiêu chuẩn chắc chắn cho phép chùm âm thanh được xác định một cách chính xác. Đặc biệt giá gắn còn có một bánh cóc để đảm bảo nó vẫn ở vị trí chính xác không bị lệch do các tác động bên của môi trường bên ngoài.
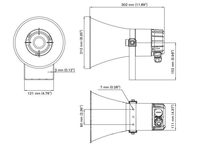
Kích thước loa nén hàng hải LH2-UC15E
Âm thanh mạnh mẽ
Loa nén hàng hải Bosch LH2-UC15E có công suất cực đại 22.5W kết hợp với cường độ âm thanh 120 dB mang lại một âm thanh đầu ra to và mạnh mẽ. Ngoài ra với dải tần số hiệu quả từ 300Hz ~ 9kHz thì loa có thể tái tạo mọi âm thanh trong dải tần số mà không bị méo tiếng, pha lẫn tạp âm không mong muốn.
Sản phẩm được phân phối độc quyền tại Gia Bảo Audio với giá rẻ nhất thị trường. Bạn hãy liên hệ ngay với chúng tôi để được tư vấn, lắp đặt và trải nghiệm sản phẩm trực tiếp ngay tại showroom.
Xem thêm: loa treo tường JBL chính hãng
Đặc tính: Loa nén hàng hải Bosch LH2-UC15E
– Thích hợp cho các ứng dụng hàng hải và công nghiệp có độ ẩm cao và môi trường mặn
– Vỏ làm bằng Polyester được gia cố bằng kính chống cháy
– Chống nước và chống bụi theo tiêu chuẩn IP 67
– Được chứng nhận EN-60945 và chứng EN54-24
Thông số kỹ thuật: Loa nén hàng hải Bosch LH2-UC15E
– Hãng: Bosch
– Model: LH2-UC15E
– Công suất cực đại: 22.5W
– Công suất định mức(PHC): 15W
– Công suất định mức: 15 / 7.5 / 3.75 / 1.87 W
– Cường độ âm thanh tại công suất định mức /1W(1kHz, 1m): 120/ 108 dB(SPL)
– Góc mở tại 1kHz/4kHz(-6 dB): 119° / 38°
– Dải tần số hiệu quả(-10 dB): 300Hz~9kHz
– Điện áp đầu vào định mức: 70/100V
– Trở kháng định mức:
334 ohm (15W at 70V)
667 ohm (7,5W at 70V / 15W at 100V)
1333 ohm (3,75W at 70V / 7,5W at 100V)
2667 ohm (1,87W at 70V / 3,75W at 100V)
5347 ohm (1,87W at 100V)
– Chất liệu
+ Vỏ loa: Glass Reinforced Polyester (GRP)
+ Vành loa: Thép không gỉ (Grade 316)
– Màu sắc: xám nhạt (RAL 7035)
– Kích thước : 302 x 212 mmmm (L x Dmax)
– Trọng lượng: 2.25 Kg





